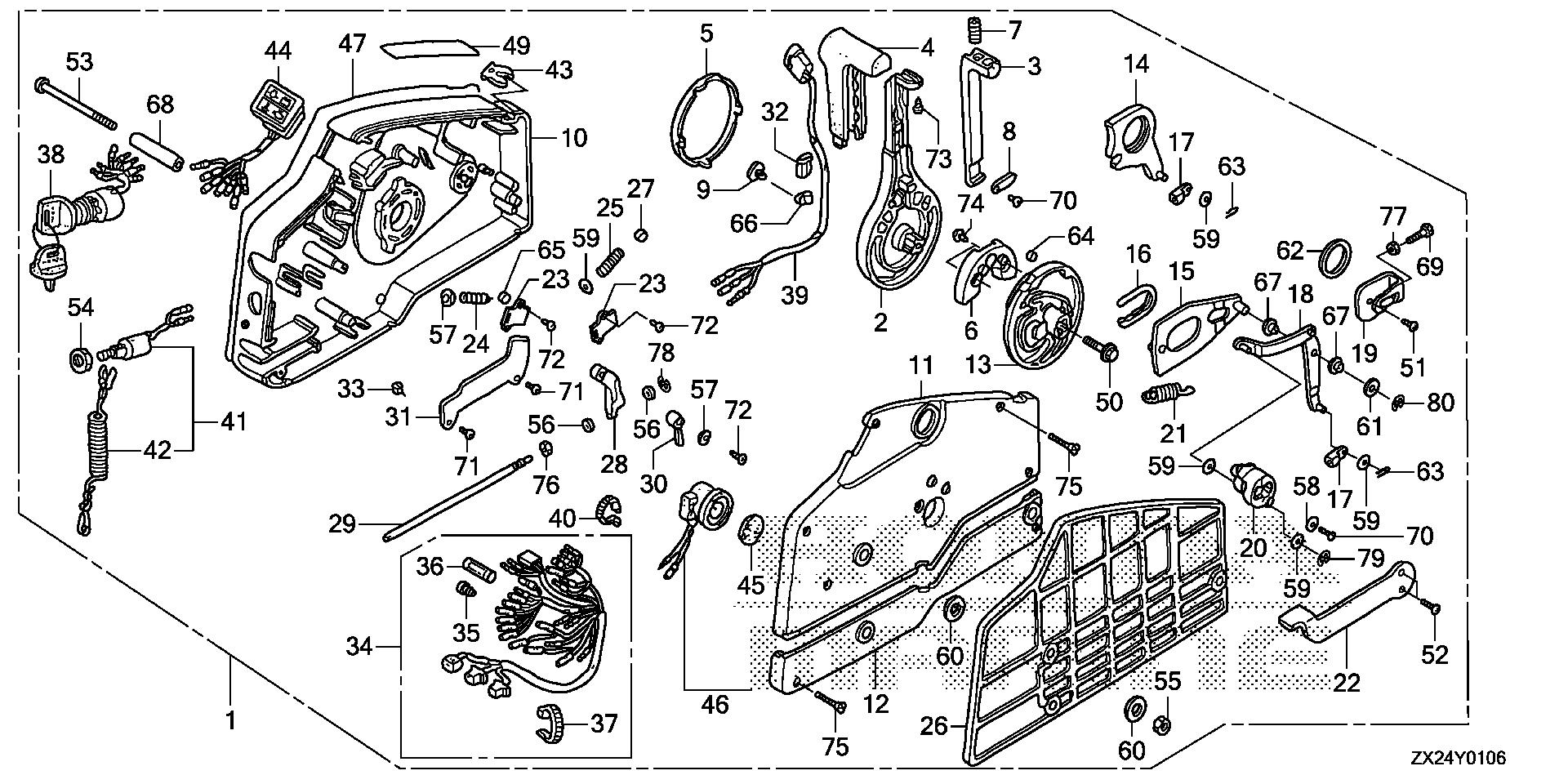
Mid - Large Outboard Engines (25 - 250hp) BF BF250 BF250A XXA BBJJ-1000001-9999999 REMOTE CONTROL (HI-LEX) (GRAY HANDLE CAP) - Plano Power Equipment

Ref No
Part Number
Description
Serial Range
Qty
Price

Ref No
1
Part Number
24800-ZZ5-A23
Description
BOX ASSY., REMOTE CONTROL (TROLLING CONTROL)(NHK MEC)
Serial Range
1000001 - 9999999

Ref No
2
Part Number
24811-ZV5-010
Description
HANDLE, REMOTE CONTROL
Serial Range
1000001 - 9999999
Qty
Price
$176.02

Ref No
3
Part Number
24812-ZV5-000
Description
LEVER, HANDLE LOCK (NOT AVAILABLE)
Serial Range
1000001 - 9999999

Ref No
4
Part Number
24813-ZV5-000
Description
GRIP, REMOTE CONTROL HANDLE
Serial Range
1000001 - 9999999
Qty
Price
$52.84

Ref No
5
Part Number
24814-ZV5-010
Description
CAP, HANDLE
Serial Range
1000001 - 9999999
Qty
Price
$12.60

Ref No
6
Part Number
24815-ZV5-010
Description
BLOCK, NEUTRAL LOCK
Serial Range
1000001 - 9999999
Qty
Price
$12.31

Ref No
7
Part Number
24816-ZV5-000
Description
SPRING, REMOTE CONTROL HANDLE
Serial Range
1000001 - 9999999
Qty
Price
$6.23

Ref No
8
Part Number
24817-ZV5-000
Description
PLATE, LEVER SETTING
Serial Range
1000001 - 9999999
Qty
Price
$5.82

Ref No
9
Part Number
24818-ZV5-003
Description
CLAMP, HARNESS
Serial Range
1000001 - 9999999
Qty
Price
$2.02

Ref No
10
Part Number
24820-ZV5-010
Description
HOUSING, REMOTE CONTROL BOX (A)
Serial Range
1000001 - 9999999
Qty
Price
$156.12

Ref No
11
Part Number
24830-ZV5-010
Description
HOUSING, REMOTE CONTROL BOX (B)
Serial Range
1000001 - 9999999
Qty
Price
$82.71

Ref No
12
Part Number
24836-ZV5-000
Description
HOUSING, REMOTE CONTROL BOX (C)
Serial Range
1000001 - 9999999
Qty
Price
$51.45

Ref No
13
Part Number
24841-ZV5-000
Description
WHEEL, CONTROL
Serial Range
1000001 - 9999999
Qty
Price
$88.60

Ref No
14
Part Number
24845-ZV5-000
Description
ARM, SHIFT LINK
Serial Range
1000001 - 9999999
Qty
Price
$52.56

Ref No
15
Part Number
24850-ZV5-000
Description
PLATE, SLIDING
Serial Range
1000001 - 9999999
Qty
Price
$71.53

Ref No
16
Part Number
24854-ZV5-000
Description
COLLAR, SLIDING PLATE
Serial Range
1000001 - 9999999
Qty
Price
$12.40

Ref No
17
Part Number
24855-ZV5-000
Description
PIVOT, SHIFT
Serial Range
1000001 - 9999999
Qty
Price
$12.40

Ref No
18
Part Number
24860-ZV5-000
Description
ARM, LINK JOINT
Serial Range
1000001 - 9999999
Qty
Price
$50.30

Ref No
19
Part Number
24865-ZV5-000
Description
BRACKET, LINK JOINT
Serial Range
1000001 - 9999999
Qty
Price
$26.50

Ref No
20
Part Number
24875-ZV5-000
Description
WHEEL, ACCELERATOR
Serial Range
1000001 - 9999999
Qty
Price
$34.27

Ref No
21
Part Number
24876-ZV5-000
Description
SPRING, ACCELERATOR WHEEL
Serial Range
1000001 - 9999999
Qty
Price
$6.23

Ref No
22
Part Number
24878-ZV5-000
Description
LEVER, IDLE
Serial Range
1000001 - 9999999
Qty
Price
$79.28

Ref No
23
Part Number
24881-ZV5-000
Description
PLATE, SPRING SETTING
Serial Range
1000001 - 9999999
Qty
Price
$5.82

Ref No
24
Part Number
24883-ZV5-000
Description
SPRING, SHIFT CLICK
Serial Range
1000001 - 9999999
Qty
Price
$5.96

Ref No
25
Part Number
24884-ZV5-000
Description
SPRING, CHOKE RETURN
Serial Range
1000001 - 9999999
Qty
Price
$5.96

Ref No
26
Part Number
24885-ZV5-000
Description
SPACER, REMOTE CONTROL BOX
Serial Range
1000001 - 9999999
Qty
Price
$106.84

Ref No
27
Part Number
24887-ZV5-000
Description
SPACER, CLICK SPRING
Serial Range
1000001 - 9999999
Qty
Price
$7.08

Ref No
28
Part Number
24891-ZV5-000
Description
BLOCK, THROTTLE FRICTION
Serial Range
1000001 - 9999999
Qty
Price
$11.98

Ref No
29
Part Number
24892-ZV5-000
Description
BOLT, FRICTION
Serial Range
1000001 - 9999999
Qty
Price
$23.35

Ref No
30
Part Number
24894-ZV5-000
Description
SPACER, NEUTRAL SWITCH
Serial Range
1000001 - 9999999
Qty
Price
$9.64

Ref No
31
Part Number
24895-ZV5-000
Description
CLAMP, POWER TILT CORD
Serial Range
1000001 - 9999999
Qty
Price
$9.66

Ref No
32
Part Number
24897-ZV5-000
Description
PIPE, HARNESS GUIDE
Serial Range
1000001 - 9999999
Qty
Price
$7.59

Ref No
33
Part Number
24898-ZV5-000
Description
SPACER, CABLE CLAMP
Serial Range
1000001 - 9999999
Qty
Price
$7.41

Ref No
34
Part Number
32530-ZZ5-000
Description
CABLE ASSY., REMOTE CONTROL (B)
Serial Range
1000001 - 9999999
Qty
Price
$241.50

Ref No
35
Part Number
32823-ZV5-003
Description
PLUG, CONNECTOR (INNER)
Serial Range
1000001 - 9999999
Qty
Price
$4.51

Ref No
36
Part Number
32824-ZV5-003
Description
PLUG, CONNECTOR (OUTER)
Serial Range
1000001 - 9999999
Qty
Price
$4.76

Ref No
37
Part Number
32901-952-770
Description
TIE, CABLE (2.4X92) (NATURAL)
Serial Range
1000001 - 9999999
Qty
Price
$3.36

Ref No
38
Part Number
35100-ZV5-013
Description
SWITCH ASSY., COMBINATION
Serial Range
1000001 - 9999999
Qty
Price
$130.20

Ref No
39
Part Number
35370-ZV5-823
Description
SWITCH ASSY., POWER TRIM-TILT
Serial Range
1000001 - 9999999
Qty
Price
$97.73

Ref No
40
Part Number
35701-MG9-950
Description
BAND (BLACK 3.5X140)
Serial Range
1000001 - 9999999
Qty
Price
$2.78

Ref No
41
Part Number
36180-ZV5-033
Description
SWITCH ASSY., EMERGENCY STOP
Serial Range
1000001 - 9999999
Qty
Price
$86.94

Ref No
42
Part Number
36182-ZV4-651
Description
WIRE, EMERGENCY
Serial Range
1000001 - 9999999
Qty
Price
$28.22

Ref No
43
Part Number
36187-ZV4-652
Description
CLIP, EMERGENCY LOCK
Serial Range
1000001 - 9999999
Qty
Price
$6.39

Ref No
44
Part Number
37210-ZZ5-013
Description
LAMP ASSY., INDICATION (4-LED) (NOT AVAILABLE)
Serial Range
1000001 - 9999999

Ref No
45
Part Number
38403-341-672
Description
PLATE, TURN SIGNAL BUZZER
Serial Range
1000001 - 9999999
Qty
Price
$7.13

Ref No
46
Part Number
38410-ZV5-003
Description
BUZZER, WARNING
Serial Range
1000001 - 9999999
Qty
Price
$85.88

Ref No
47
Part Number
87701-ZZ5-020
Description
PLATE, REMOTE CONTROL (COUTION COLOR=RED & YELLOW)
Serial Range
1000001 - 9999999
Qty
Price
$76.52

Ref No
49
Part Number
87702-ZW9-800
Description
MARK, FAST IDLE
Serial Range
1000001 - 9999999
Qty
Price
$9.87

Ref No
50
Part Number
90008-ZW9-000
Description
BOLT, FLANGE (8X35)
Serial Range
1000001 - 9999999
Qty
Price
$6.58

Ref No
51
Part Number
90105-MM4-000
Description
SCREW, PAN (6X10)
Serial Range
1000001 - 9999999
Qty
Price
$3.11

Ref No
52
Part Number
90108-ZW4-000
Description
SCREW, FLAT (5X12)
Serial Range
1000001 - 9999999
Qty
Price
$1.93

Ref No
53
Part Number
90125-ZV5-000
Description
SCREW (6X95)
Serial Range
1000001 - 9999999
Qty
Price
$10.56

Ref No
54
Part Number
90302-921-000
Description
NUT, HEX. (16MM)
Serial Range
1000001 - 9999999
Qty
Price
$6.28

Ref No
55
Part Number
90304-ZV4-000
Description
NUT, HEX. (6MM)
Serial Range
1000001 - 9999999
Qty
Price
$3.24

Ref No
56
Part Number
90401-ZW4-000
Description
WASHER, PLAIN (4MM)
Serial Range
1000001 - 9999999
Qty
Price
$1.91

Ref No
57
Part Number
90402-ZW4-000
Description
WASHER, PLAIN (5MM)
Serial Range
1000001 - 9999999
Qty
Price
$2.83

Ref No
58
Part Number
90502-ZV4-000
Description
WASHER, PLAIN (5MM)
Serial Range
1000001 - 9999999
Qty
Price
$4.19

Ref No
59
Part Number
90504-921-010
Description
WASHER, PLAIN (6MM)
Serial Range
1000001 - 9999999
Qty
Price
$1.93

Ref No
60
Part Number
90512-921-010
Description
WASHER (6MM)
Serial Range
1000001 - 9999999
Qty
Price
$1.63

Ref No
61
Part Number
90518-921-000
Description
WASHER, PLAIN (8MM)
Serial Range
1000001 - 9999999
Qty
Price
$1.84

Ref No
62
Part Number
90557-ZV5-000
Description
WASHER (28MM)
Serial Range
1000001 - 9999999
Qty
Price
$4.58

Ref No
63
Part Number
90751-ZV5-000
Description
PIN, LOCK (6MM)
Serial Range
1000001 - 9999999
Qty
Price
$5.01

Ref No
64
Part Number
90772-ZV5-000
Description
PIN (6X6)
Serial Range
1000001 - 9999999
Qty
Price
$6.10

Ref No
65
Part Number
91151-ZV5-000
Description
ROLLER, CLICK
Serial Range
1000001 - 9999999
Qty
Price
$5.27

Ref No
66
Part Number
91475-SB6-000
Description
CLIP, WIRE HARNESS (6.3MM)
Serial Range
1000001 - 9999999
Qty
Price
$11.80

Ref No
67
Part Number
91567-ZV5-000
Description
COLLAR, LINK JOINT
Serial Range
1000001 - 9999999
Qty
Price
$4.23

Ref No
68
Part Number
91570-ZV5-000
Description
COLLAR, DISTANCE (6X10X43.5)
Serial Range
1000001 - 9999999
Qty
Price
$12.40

Ref No
69
Part Number
92101-05016-4J
Description
BOLT, HEX. (5X16)
Serial Range
1000001 - 9999999
Qty
Price
$1.86

Ref No
70
Part Number
93500-05010-4J
Description
SCREW, PAN (5X10)
Serial Range
1000001 - 9999999
Qty
Price
$1.89

Ref No
71
Part Number
93901-250J0
Description
SCREW, TAPPING (5X8)
Serial Range
1000001 - 9999999
Qty
Price
$2.51

Ref No
72
Part Number
93901-251J0
Description
SCREW, TAPPING (5X10)
Serial Range
1000001 - 9999999
Qty
Price
$0.90

Ref No
73
Part Number
93901-252J0
Description
SCREW, TAPPING (5X12)
Serial Range
1000001 - 9999999
Qty
Price
$2.35

Ref No
74
Part Number
93903-262J0
Description
SCREW, TAPPING (6X16)
Serial Range
1000001 - 9999999
Qty
Price
$3.61

Ref No
75
Part Number
93905-255J0
Description
SCREW, TAPPING (5X25)
Serial Range
1000001 - 9999999
Qty
Price
$3.61

Ref No
76
Part Number
94001-06490-0S
Description
NUT, HEX. (6MM)
Serial Range
1000001 - 9999999
Qty
Price
$3.15

Ref No
77
Part Number
94002-05490-0S
Description
NUT, HEX. (5MM)
Serial Range
1000001 - 9999999
Qty
Price
$1.47

Ref No
78
Part Number
94540-03029
Description
E-RING (3MM)
Serial Range
1000001 - 9999999
Qty
Price
$1.93

Ref No
79
Part Number
94540-04029
Description
E-RING (4MM)
Serial Range
1000001 - 9999999
Qty
Price
$7.38

Ref No
80
Part Number
94540-07029
Description
E-RING (7MM)
Serial Range
1000001 - 9999999
Qty
Price
$5.15