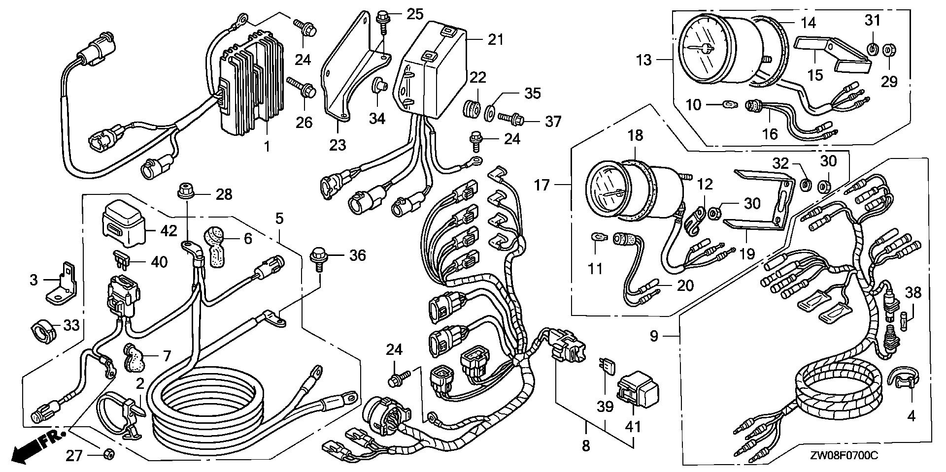
Mid - Large Outboard Engines (25 - 250hp) BF BF90 BF90A3 LRTA BBBL-4500001-4599999 REGULATOR@STARTER CABLE - Plano Power Equipment

Ref No
Part Number
Description
Serial Range
Qty
Price

Ref No
1
Part Number
31750-ZW1-003
Description
RECTIFIER ASSY., REGULATOR (20A)
Serial Range
4401245 - 9999999

Ref No
2
Part Number
32121-HA0-003
Description
BAND, WIRE
Serial Range
1000001 - 9999999
Qty
Price
$11.94

Ref No
3
Part Number
32126-ZW1-010
Description
BRACKET, FUSE (NOT AVAILABLE)
Serial Range
1000001 - 9999999

Ref No
5
Part Number
32410-ZW1-000
Description
CABLE ASSY., STARTER
Serial Range
1000001 - 9999999
Qty
Price
$316.30

Ref No
6
Part Number
32411-ZW1-003
Description
COVER, STARTER TERMINAL
Serial Range
1000001 - 9999999
Qty
Price
$15.59

Ref No
7
Part Number
32412-ZV4-811
Description
COVER, MAGNETIC SWITCH TERMINAL
Serial Range
1000001 - 9999999
Qty
Price
$8.21

Ref No
8
Part Number
32520-ZW1-000
Description
CABLE ASSY., REMOTE CONTROL (A) (NOT AVAILABLE)
Serial Range
1000001 - 9999999

Ref No
10
Part Number
34908-MB9-871
Description
BULB, WEDGE BASE (T10) (12V 1.7W) (STANLEY)
Serial Range
1000001 - 9999999
Qty
Price
$4.09

Ref No
13
Part Number
37250-ZV7-913
Description
TACHOMETER ASSY.
Serial Range
1000001 - 9999999
Qty
Price
$308.18

Ref No
14
Part Number
37253-ZV5-821
Description
GASKET
Serial Range
1000001 - 9999999
Qty
Price
$6.30

Ref No
15
Part Number
37256-ZV5-821
Description
BRACKET
Serial Range
1000001 - 9999999
Qty
Price
$33.37

Ref No
16
Part Number
37258-ZV5-821
Description
SOCKET
Serial Range
1000001 - 9999999
Qty
Price
$24.61

Ref No
21
Part Number
38550-ZW1-003
Description
RELAY ASSY., POWER TILT
Serial Range
1000001 - 9999999

Ref No
22
Part Number
38551-ZW1-000
Description
GROMMET, RELAY
Serial Range
1000001 - 9999999
Qty
Price
$10.07

Ref No
23
Part Number
38552-ZW1-010
Description
BRACKET, RELAY (NOT AVAILABLE)
Serial Range
1000001 - 9999999

Ref No
24
Part Number
90013-ZW4-000
Description
BOLT, FLANGE (6X12) (CT200)
Serial Range
1000001 - 9999999
Qty
Price
$3.75

Ref No
25
Part Number
90011-ZW9-000
Description
BOLT, FLANGE (6X14) (CT200)
Serial Range
1000001 - 9999999
Qty
Price
$2.62

Ref No
26
Part Number
90012-ZW9-020
Description
BOLT, FLANGE (6X22) (CT200)
Serial Range
1000001 - 9999999

Ref No
27
Part Number
90203-ZV5-000
Description
NUT, HEX. (6MM)
Serial Range
1000001 - 9999999
Qty
Price
$2.35

Ref No
28
Part Number
90203-ZW1-000
Description
NUT-WASHER (8MM)
Serial Range
1000001 - 9999999
Qty
Price
$3.52

Ref No
29
Part Number
90309-ZV5-821
Description
NUT, HEX. (5MM)
Serial Range
1000001 - 9999999
Qty
Price
$2.16

Ref No
31
Part Number
90550-ZV5-821
Description
WASHER, SPRING (5MM)
Serial Range
1000001 - 9999999
Qty
Price
$1.82

Ref No
33
Part Number
90683-KJ2-003
Description
CLIP, WIRE HARNESS
Serial Range
1000001 - 9999999
Qty
Price
$5.50

Ref No
34
Part Number
91553-ZV5-010
Description
COLLAR, MODULE IGNITION CONTROL CASE (CDI)
Serial Range
1000001 - 9999999
Qty
Price
$4.09

Ref No
35
Part Number
94101-06200
Description
WASHER, PLAIN (6MM)
Serial Range
1000001 - 9999999
Qty
Price
$0.97

Ref No
36
Part Number
90014-ZW4-000
Description
BOLT, FLANGE (6X14)
Serial Range
1000001 - 9999999
Qty
Price
$1.79

Ref No
37
Part Number
90016-ZW9-000
Description
BOLT, FLANGE (6X25)
Serial Range
1000001 - 9999999

Ref No
39
Part Number
98200-31500
Description
FUSE, BLADE (15A)
Serial Range
1000001 - 9999999
Qty
Price
$1.84

Ref No
40
Part Number
98200-33000
Description
FUSE, BLADE (30A)
Serial Range
1000001 - 9999999
Qty
Price
$1.84

Ref No
41
Part Number
38216-ZV5-003
Description
COVER ASSY., FUSE (15A)
Serial Range
1000001 - 9999999
Qty
Price
$6.10

Ref No
42
Part Number
38216-ZW1-003
Description
COVER ASSY., FUSE (30A)
Serial Range
1000001 - 9999999
Qty
Price
$9.13