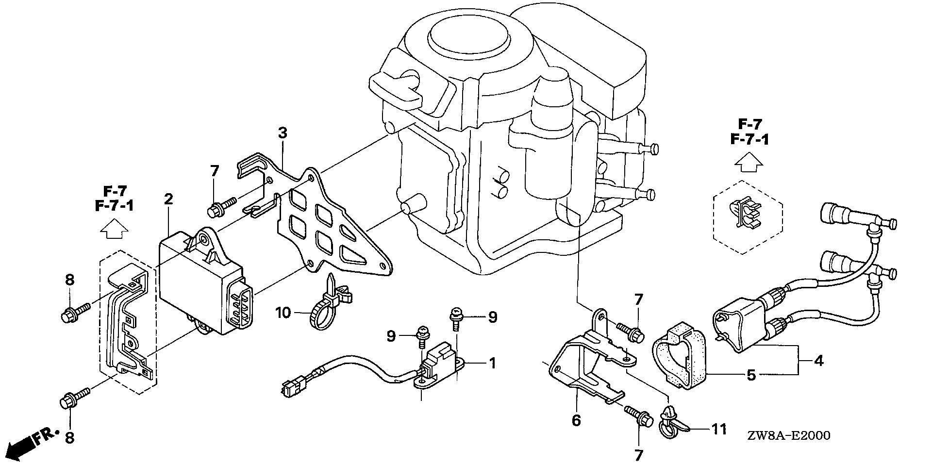
Portable Outboard Engines (2 - 20 hp) BF BF8 BF8D5 LHA BAAJ-1400001-1499999 IGNITION COIL@C.D.I. UNIT - Plano Power Equipment

Ref No
Part Number
Description
Serial Range
Qty
Price

Ref No
1
Part Number
30310-ZW9-003
Description
COIL ASSY., PULSER
Serial Range
1000001 - 9999999
Qty
Price
$84.94

Ref No
2
Part Number
30400-ZW8-003
Description
MODULE, IGNITION CONTROL (CDI)
Serial Range
1000001 - 9999999
Qty
Price
$267.99

Ref No
3
Part Number
30401-ZW9-010
Description
PLATE, C.D.I.
Serial Range
1000001 - 9999999
Qty
Price
$19.83

Ref No
4
Part Number
30500-ZW9-003
Description
COIL ASSY., IGNITION
Serial Range
1000001 - 1016589

Ref No
4
Part Number
30500-ZW9-013
Description
COIL ASSY., IGNITION
Serial Range
1016590 - 9999999
Qty
Price
$83.11

Ref No
5
Part Number
30506-ML4-003
Description
SUSPENSION, IGNITION COIL
Serial Range
1000001 - 1016589
Qty
Price
$8.60

Ref No
5
Part Number
30506-ZW9-003
Description
SUSPENSION, IGNITION COIL
Serial Range
1016590 - 9999999
Qty
Price
$8.95

Ref No
6
Part Number
30515-ZW9-650
Description
BRACKET, IGNITION COIL
Serial Range
1000001 - 1016589

Ref No
6
Part Number
30515-ZW9-652
Description
BRACKET, IGNITION COIL
Serial Range
1016590 - 9999999
Qty
Price
$13.96

Ref No
7
Part Number
90011-ZW9-000
Description
BOLT, FLANGE (6X14) (CT200)
Serial Range
1000001 - 9999999
Qty
Price
$2.62

Ref No
8
Part Number
90014-ZZ5-M01
Description
BOLT, FLANGE (6X25)
Serial Range
1000001 - 9999999
Qty
Price
$2.85

Ref No
8
Part Number
90016-ZW9-000
Description
BOLT, FLANGE (6X25)
Serial Range
1000001 - 9999999

Ref No
9
Part Number
90018-ZW9-000
Description
SCREW-WASHER (5X16)
Serial Range
1000001 - 9999999
Qty
Price
$1.98

Ref No
10
Part Number
90672-SA0-003
Description
STRAP, CABLE (118MM) (BLACK)
Serial Range
1000001 - 9999999
Qty
Price
$10.51

Ref No
11
Part Number
91540-S30-003
Description
CLIP, HARNESS BAND (151.5MM) (NATURAL)
Serial Range
1000001 - 9999999
Qty
Price
$4.81