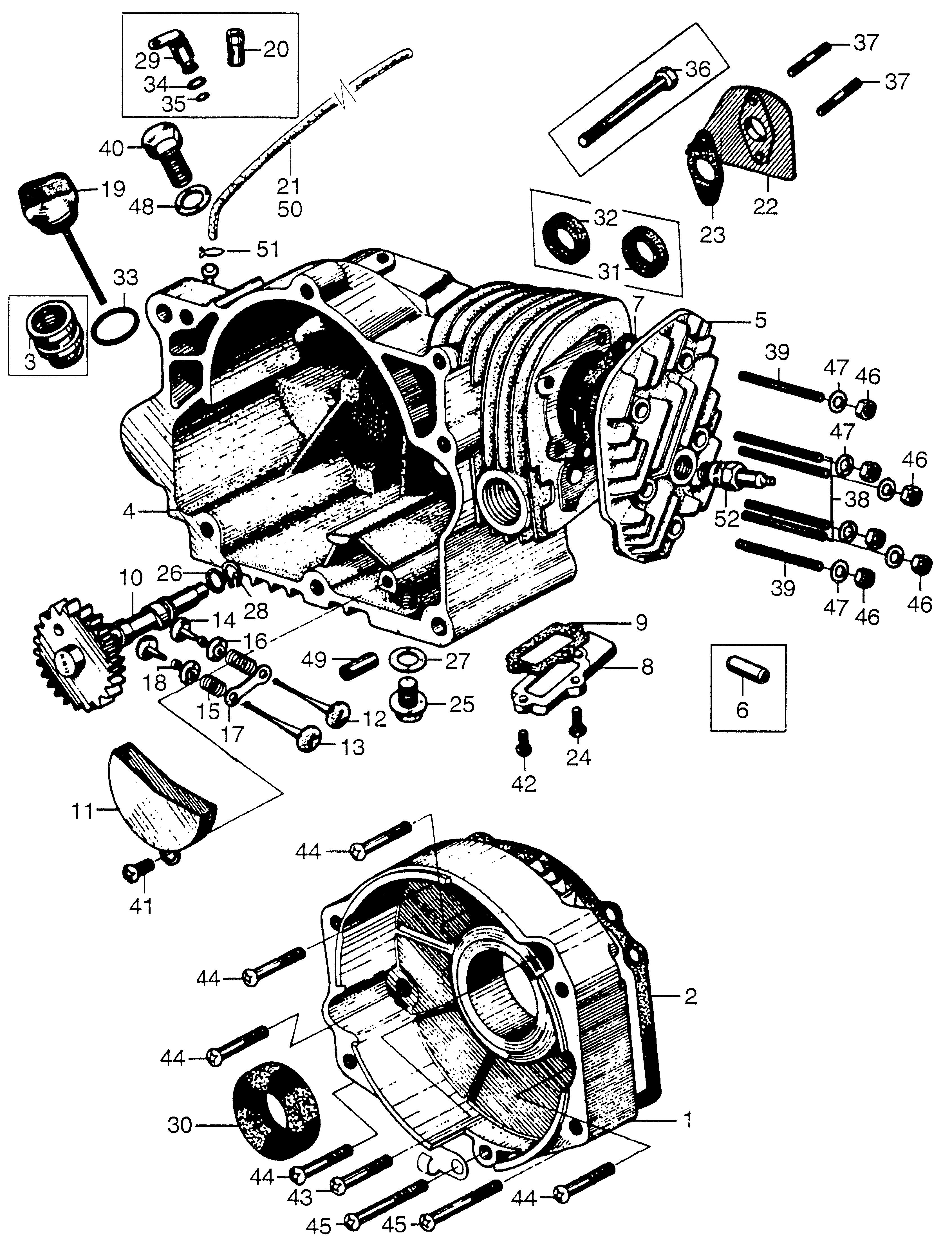
Generators E E300 E300 A GE300-100001-1106000 CYLINDER@CRANKCASE - Plano Power Equipment

Ref No
Part Number
Description
Serial Range
Qty
Price

Ref No
1
Part Number
11100-812-020
Description
COVER, CRANKCASE (NOT AVAILABLE)
Serial Range
1000001 - 1004270

Ref No
1
Part Number
11100-812-030
Description
COVER, CRANKCASE
Serial Range
1004271 - 1018081

Ref No
1
Part Number
11100-812-040
Description
COVER, CRANKCASE
Serial Range
1018082 - 1058040

Ref No
1
Part Number
11100-812-050
Description
COVER, CRANKCASE
Serial Range
1058041 - 1075764

Ref No
1
Part Number
11100-812-060
Description
COVER, CRANKCASE
Serial Range
1075765 - 9999999

Ref No
2
Part Number
11191-812-020
Description
GASKET, CASE (NOT AVAILABLE)
Serial Range
1000001 - 9999999

Ref No
4
Part Number
12100-812-050
Description
CYLINDER
Serial Range
1000001 - 1021557

Ref No
4
Part Number
12100-812-060
Description
CYLINDER
Serial Range
1021558 - 1058040

Ref No
4
Part Number
12100-812-080
Description
CYLINDER
Serial Range
1075765 - 9999999

Ref No
4
Part Number
12100-812-375
Description
CYLINDER
Serial Range
1058041 - 1075764

Ref No
5
Part Number
12201-812-010
Description
CYLINDER HEAD
Serial Range
1000001 - 1018081
Qty
Price
$105.35

Ref No
5
Part Number
12201-870-000
Description
CYLINDER HEAD (NOT AVAILABLE)
Serial Range
1018082 - 9999999
Qty
Price
$39.51

Ref No
7
Part Number
12251-812-010
Description
GASKET, CYLINDER HEAD (NOT AVAILABLE)
Serial Range
1018082 - 9999999

Ref No
7
Part Number
12251-812-307
Description
GASKET, CYLINDER HEAD
Serial Range
1000001 - 1018081
Qty
Price
$72.91

Ref No
8
Part Number
12361-812-010
Description
COVER, TAPPET
Serial Range
1018082 - 9999999
Qty
Price
$16.22

Ref No
9
Part Number
12369-812-010
Description
GASKET, TAPPET COVER (NOT AVAILABLE)
Serial Range
1000001 - 9999999

Ref No
10
Part Number
14101-812-010
Description
CAMSHAFT (NOT AVAILABLE)
Serial Range
1000001 - 1075764

Ref No
10
Part Number
14101-812-020
Description
CAMSHAFT (NOT AVAILABLE)
Serial Range
1075765 - 9999999

Ref No
11
Part Number
14105-836-000
Description
PROTECTOR, GEAR
Serial Range
1000001 - 9999999

Ref No
12
Part Number
14711-812-020
Description
VALVE, IN.
Serial Range
1000001 - 9999999

Ref No
13
Part Number
14721-812-020
Description
VALVE, EX. (NOT AVAILABLE)
Serial Range
1000001 - 9999999

Ref No
14
Part Number
14731-812-010
Description
LIFTER, VALVE (NOT AVAILABLE)
Serial Range
1000001 - 9999999

Ref No
15
Part Number
14751-812-000
Description
SPRING, VALVE (NOT AVAILABLE)
Serial Range
1000001 - 9999999

Ref No
16
Part Number
14771-812-010
Description
RETAINER, VALVE SPRING (NOT AVAILABLE)
Serial Range
1000001 - 9999999

Ref No
17
Part Number
14775-812-000
Description
SEAT, SPRING (NOT AVAILABLE)
Serial Range
1000001 - 9999999

Ref No
18
Part Number
14803-812-305
Description
ADJUSTER C, TAPPET CLEARANCE (3.42-3.45) (NOT AVAILABLE)
Serial Range
1018082 - 9999999

Ref No
18
Part Number
14806-812-305
Description
ADJUSTER F, TAPPET CLEARANCE (3.33-3.36) (NOT AVAILABLE)
Serial Range
1018082 - 9999999

Ref No
18
Part Number
14809-812-305
Description
ADJUSTER, TAPPET CLEARANCE (3.24-3.27) (NOT AVAILABLE)
Serial Range
1018082 - 9999999

Ref No
18
Part Number
14812-812-305
Description
ADJUSTER, L. TAPPET CLEARANCE (3.15-3.18) (NOT AVAILABLE)
Serial Range
1018082 - 9999999

Ref No
18
Part Number
14815-812-305
Description
ADJUSTER, TAPPET CLEARANCE (3.06-3.09) (NOT AVAILABLE)
Serial Range
1018082 - 9999999

Ref No
19
Part Number
15620-812-000
Description
CAP, OIL (NOT AVAILABLE)
Serial Range
1000001 - 1092170

Ref No
19
Part Number
15620-812-010
Description
CAP, OIL (NOT AVAILABLE)
Serial Range
1092171 - 2000000

Ref No
20
Part Number
15700-812-000
Description
BREATHER (NOT AVAILABLE)
Serial Range
1000001 - 1018081

Ref No
21
Part Number
15761-812-020
Description
TUBE, BREATHER
Serial Range
1000001 - 1106000

Ref No
22
Part Number
16211-836-000
Description
INSULATOR, CARBURETOR
Serial Range
1106001 - 9999999

Ref No
23
Part Number
16229-812-000
Description
GASKET, CARBURETOR INSULATOR (NOT AVAILABLE)
Serial Range
1000001 - 9999999

Ref No
24
Part Number
90081-812-000
Description
BOLT, SPECIAL (5MM)
Serial Range
1000001 - 9999999

Ref No
25
Part Number
90082-704-000
Description
BOLT (10X12) (NOT AVAILABLE)
Serial Range
1000001 - 9999999

Ref No
26
Part Number
90451-812-000
Description
WASHER (18MM)
Serial Range
1075765 - 9999999

Ref No
27
Part Number
90472-703-305
Description
WASHER (10MM) (NOT AVAILABLE)
Serial Range
1075765 - 9999999

Ref No
28
Part Number
90601-030-000
Description
CIRCLIP (18MM)
Serial Range
1075765 - 9999999
Qty
Price
$2.48

Ref No
29
Part Number
90802-812-000
Description
PLUG, CYLINDER SEALING
Serial Range
1058041 - 1106000

Ref No
30
Part Number
91202-812-000
Description
OIL SEAL (20X40X6) (AJ-TYPE) (NOT AVAILABLE)
Serial Range
1058041 - 9999999

Ref No
31
Part Number
91203-812-010
Description
OIL SEAL (12X22X4) (AJ-TYPE) (NOT AVAILABLE)
Serial Range
1000001 - 1075764

Ref No
31
Part Number
91204-812-000
Description
OIL SEAL (18X28X5) (AJ-TYPE) (NOT AVAILABLE)
Serial Range
1075765 - 9999999

Ref No
32
Part Number
91204-GK8-003
Description
OIL SEAL (15X24X5)
Serial Range
1000001 - 9999999
Qty
Price
$7.50

Ref No
33
Part Number
91303-800-000
Description
O-RING (16MM)
Serial Range
1000001 - 1092170

Ref No
33
Part Number
91304-MJ0-003
Description
O-RING (15.8X2.4) (SHOWA)
Serial Range
1000001 - 1092170

Ref No
34
Part Number
91305-PE2-003
Description
O-RING (9.8X1.9)
Serial Range
1058041 - 1106000
Qty
Price
$3.70

Ref No
35
Part Number
91301-MJ0-003
Description
O-RING (7.8X1.9) (ARAI)
Serial Range
1058041 - 1106000
Qty
Price
$3.20

Ref No
35
Part Number
91319-703-000
Description
O-RING (8MM)
Serial Range
1058041 - 1106000

Ref No
36
Part Number
92015-05064
Description
BOLT, HEX. (5X64) (NOT AVAILABLE)
Serial Range
1000001 - 1106000

Ref No
37
Part Number
92700-05030
Description
BOLT, STUD (5X30) (NOT AVAILABLE)
Serial Range
1018082 - 1106000

Ref No
38
Part Number
92900-06025-0B
Description
BOLT, STUD (6X25)
Serial Range
1000001 - 1018081
Qty
Price
$2.55

Ref No
38
Part Number
97200-06041
Description
BOLT, STUD (6X41) (NOT AVAILABLE)
Serial Range
1018082 - 1106000

Ref No
39
Part Number
92720-06047
Description
BOLT, STUD (6X47) (NOT AVAILABLE)
Serial Range
1000001 - 1018081

Ref No
39
Part Number
92720-06050-30
Description
BOLT, STUD (6X50) (NOT AVAILABLE)
Serial Range
1018082 - 9999999

Ref No
42
Part Number
93500-05018-0A
Description
SCREW, PAN (5X18)
Serial Range
1000001 - 9999999
Qty
Price
$1.15

Ref No
44
Part Number
93500-05035-0A
Description
SCREW, PAN (5X35)
Serial Range
1000001 - 9999999
Qty
Price
$1.54

Ref No
44
Part Number
93500-05035-0A
Description
SCREW, PAN (5X35)
Serial Range
1000001 - 9999999
Qty
Price
$1.54

Ref No
47
Part Number
94101-06800
Description
WASHER, PLAIN (6MM)
Serial Range
1000001 - 9999999
Qty
Price
$0.92

Ref No
49
Part Number
94301-08140
Description
PIN, DOWEL (8X14)
Serial Range
1106001 - 9999999
Qty
Price
$3.15

Ref No
52
Part Number
98052-56471
Description
SPARK PLUG (CM6) (NGK)
Serial Range
1000001 - 9999999
Qty
Price
$7.48

Ref No
52
Part Number
98076-56724
Description
SPARK PLUG (W20FS-U) (DENSO)
Serial Range
1000001 - 9999999
Qty
Price
$3.06

Ref No
52
Part Number
98076-5672G
Description
SPARK PLUG (W20FR-L) (DENSO)
Serial Range
1240001 - 9999999
Qty
Price
$3.57