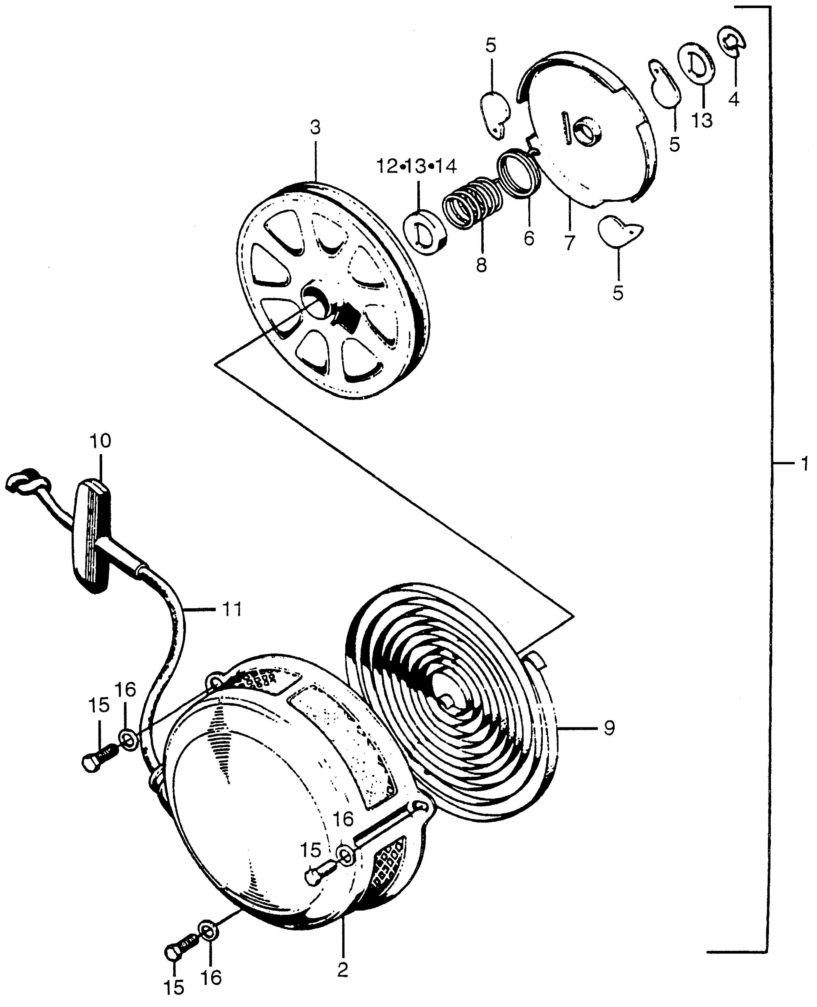
Generators EG EG1500 EG1500K3 A G42-200000-2193508 RECOIL STARTER - Plano Power Equipment

Ref No
Part Number
Description
Serial Range
Qty
Price

Ref No
1
Part Number
28400-848-024H
Description
RECOIL, STARTER *R8* (BRIGHT RED) (NOT AVAILABLE)
Serial Range
1000001 - 9999999

Ref No
2
Part Number
28410-848-811H
Description
CASE, RECOIL STARTER *R8* (BRIGHT RED) (NOT AVAILABLE)
Serial Range
1000001 - 9999999

Ref No
3
Part Number
28420-848-810
Description
PULLEY, RECOIL STARTER
Serial Range
1000001 - 9999999

Ref No
4
Part Number
28423-809-810
Description
E-RING (NOT AVAILABLE)
Serial Range
1000001 - 9999999

Ref No
5
Part Number
28441-848-810
Description
RATCHET, STARTER (NOT AVAILABLE)
Serial Range
1000001 - 9999999
Qty
Price
$8.83

Ref No
6
Part Number
28455-822-810
Description
SPRING SET (NOT AVAILABLE)
Serial Range
1000001 - 9999999

Ref No
7
Part Number
28445-848-810
Description
PLATE, FRICTION
Serial Range
1000001 - 9999999

Ref No
8
Part Number
28446-809-810
Description
SPRING, FRICTION (NOT AVAILABLE)
Serial Range
1000001 - 9999999

Ref No
9
Part Number
28451-848-810
Description
SPRING, STARTER RETURN
Serial Range
1000001 - 9999999
Qty
Price
$44.62

Ref No
10
Part Number
28461-823-810
Description
KNOB, STARTER
Serial Range
1000001 - 9999999

Ref No
11
Part Number
28471-848-810
Description
ROPE, RECOIL STARTER (#6X54")
Serial Range
1000001 - 9999999

Ref No
13
Part Number
90482-810-810
Description
WASHER B (NOT AVAILABLE)
Serial Range
2115071 - 9999999

Ref No
13
Part Number
90482-822-650
Description
WASHER B (NOT AVAILABLE)
Serial Range
1000001 - 2115070

Ref No
14
Part Number
90483-865-810
Description
WASHER C
Serial Range
2115071 - 9999999

Ref No
15
Part Number
92101-06012-0A
Description
BOLT, HEX. (6X12)
Serial Range
2115071 - 9999999
Qty
Price
$1.98

Ref No
16
Part Number
94101-06800
Description
WASHER, PLAIN (6MM)
Serial Range
1000001 - 9999999
Qty
Price
$0.92