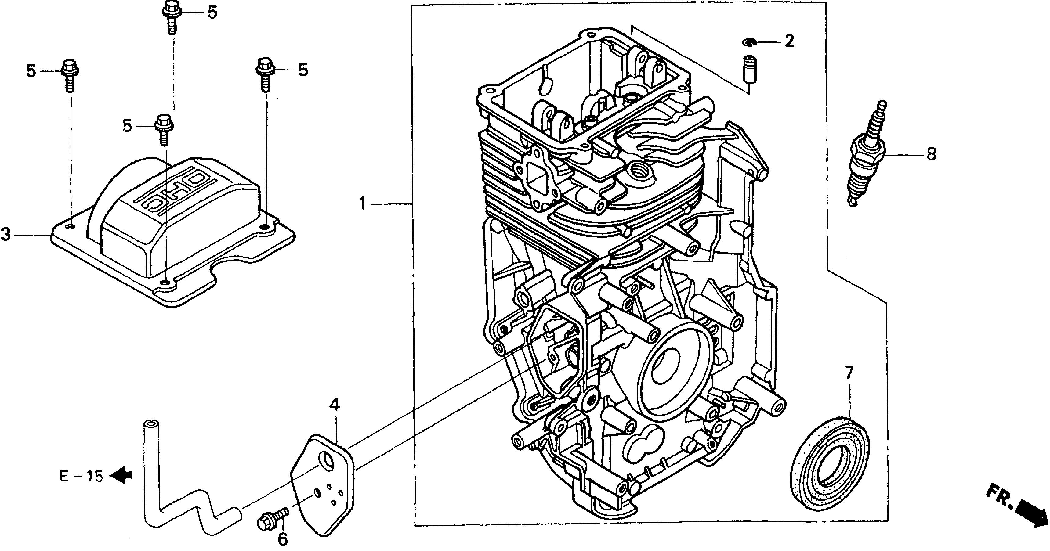
Water Pumps WN WN30 WN30 AX1 WZBW-1000001-9999999 CYLINDER - Plano Power Equipment

Ref No
Part Number
Description
Serial Range
Qty
Price

Ref No
1
Part Number
12000-Z0L-505
Description
CYLINDER ASSY.
Serial Range
1000001 - 9999999

Ref No
2
Part Number
12216-ZE5-300
Description
CLIP, VALVE GUIDE
Serial Range
1000001 - 9999999
Qty
Price
$1.93

Ref No
3
Part Number
12310-Z0J-000
Description
COVER, CYLINDER HEAD
Serial Range
1000001 - 9999999

Ref No
3
Part Number
12310-Z8A-000
Description
COVER, CYLINDER HEAD
Serial Range
1000001 - 9999999
Qty
Price
$41.15

Ref No
4
Part Number
12355-ZL8-000
Description
COVER, BREATHER (BREATHER VALVE ASSY.)
Serial Range
1000001 - 9999999
Qty
Price
$10.24

Ref No
5
Part Number
90013-883-000
Description
BOLT, FLANGE (6X12) (CT200)
Serial Range
1000001 - 9999999

Ref No
6
Part Number
90014-952-000
Description
BOLT, FLANGE (6X14) (CT200)
Serial Range
1000001 - 9999999
Qty
Price
$3.29

Ref No
7
Part Number
91201-ZL8-003
Description
OIL SEAL (25.4X62X6)
Serial Range
1000001 - 9999999
Qty
Price
$9.04

Ref No
8
Part Number
98079-56846
Description
SPARK PLUG (BPR6ES) (NGK)
Serial Range
1000001 - 9999999
Qty
Price
$3.43